匠心 服務 創(chuàng)新 品質

人防防爆呼叫按鈕時通常安裝在非人防區(qū)(防護門外),當有人需要進入人防區(qū)時,按住按鈕,就會呼叫值班人員,值班人員查看人防通風方式信號燈箱的顯示狀態(tài),來決定是否開門。
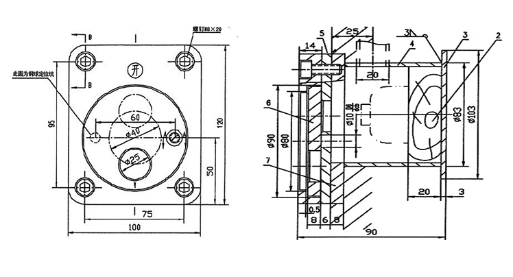
呼喚按鈕產品包括一帶容置腔的底座,一按鈴設置在所述容置腔內,一襯板蓋在所述的底座上,且該襯板上對應按鈴的按鈕處設有一通孔,一帶有通孔的上蓋板蓋在襯板上,且在襯板和上蓋板之間形成一容置槽,一可轉動的設置在容置槽內并且份露在蓋板的通孔處,在上開設有一轉動至適當位置時與襯板上的通孔對應的通孔,所述的上另向外設有一手柄;由于將按鈴設置在防震防爆的底座內,即使有強烈的外力沖擊也無法損壞到電按鈴,保證其安全性,使用時,轉動手柄,讓上的通孔與襯板上的通孔相對應,手指便可伸入到底座內按動按鈕讓里面的人知道,及時打開密閉門。
